Giới Thiệu Sản Phẩm
Bình ngưng giải nhiệt nước BITZER – K123H chính hãng Đức
HappyCool – nhà phân phối chính thức thiết bị làm lạnh công nghiệp tại Việt Nam – tự hào cung cấp bình ngưng giải nhiệt nước BITZER – K123H, sản phẩm chất lượng cao đến từ thương hiệu hàng đầu nước Đức.
Dòng sản phẩm này được thiết kế tối ưu cho các hệ thống kho lạnh dân dụng, kho lạnh công nghiệp, máy làm lạnh nước, hệ thống chiller, dây chuyền cấp đông thủy sản,… với khả năng trao đổi nhiệt hiệu quả, độ bền vượt trội và khả năng vận hành ổn định trong môi trường khắc nghiệt.
Phân phối chính hãng bình ngưng BITZER – K123H tại HappyCool
Tất cả các bình ngưng giải nhiệt nước BITZER – K123H do HappyCool cung cấp đều được nhập khẩu chính hãng từ Đức, có đầy đủ chứng nhận CO – CQ, đảm bảo nguồn gốc rõ ràng, chất lượng chuẩn châu Âu và hỗ trợ kỹ thuật đầy đủ khi lắp đặt, vận hành.
Chúng tôi cam kết cung cấp thiết bị với giá cả cạnh tranh nhất, chính sách hậu mãi tốt, sẵn sàng đồng hành cùng các dự án hệ thống lạnh quy mô lớn nhỏ trên toàn quốc.
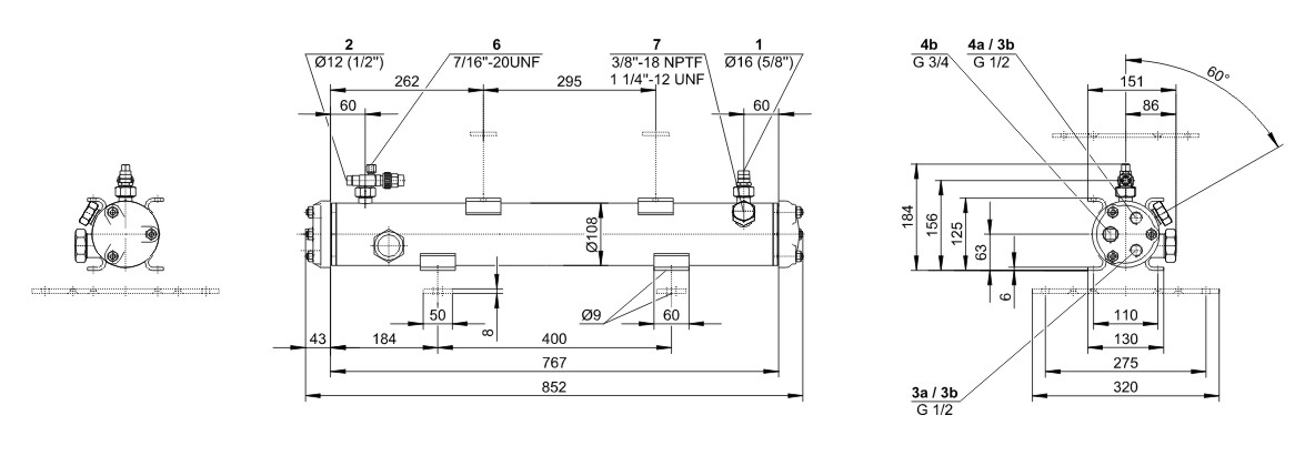
Thông số kỹ thuật bình ngưng giải nhiệt model BITZER – K123H
| Model | K123H |
| Hãng sản xuất | BITZER – ĐỨC |
| Công suất | 3 HP |
| Máy nén | 2EES-2Y / 2EES-3Y / 2DES-2Y / 2DES-3Y / 2FES-3Y / 2CES-3Y |
| Lưu lượng làm mát | 5.1 dm3 |
| Ống vào | 16 mm (5/8 inch) |
| Ống ra | 12 mm (1/2 inch) |
| Kích thước | 852W x 184H (mm) |
| Trọng lượng | 14 Kg (net) |
| Xuất xứ | ĐỨC |



Ứng dụng nổi bật của bình ngưng BITZER – K073H
-
Hệ thống kho lạnh bảo quản thực phẩm, nông sản, thủy hải sản
-
Máy làm lạnh nước công nghiệp (chiller)
-
Dây chuyền sản xuất thực phẩm đông lạnh
-
Kho cấp đông sâu – đông nhanh IQF
-
Các hệ thống lạnh đòi hỏi hiệu suất trao đổi nhiệt cao và độ ổn định tuyệt đối
Vì sao chọn HappyCool để mua model BITZER – K073H?
-
✅ Sản phẩm chính hãng 100% – nhập khẩu trực tiếp từ Đức
-
✅ Có sẵn hàng, giao nhanh toàn quốc
-
✅ Đầy đủ CO – CQ, hóa đơn VAT, hỗ trợ dự toán và báo giá dự án
-
✅ Bảo hành chính hãng, dịch vụ hậu mãi tận tâm
-
✅ Tư vấn kỹ thuật miễn phí, hỗ trợ lắp đặt & vận hành
📞 Liên hệ tư vấn bình ngưng giải nhiệt nước Bitzer và nhận báo giá bình ngưng BITZER – K073H
-
☎ Hotline: 0902 771 616
-
🌐 Website: www.happycool.vn
-
📧 Email: info@happycool.vn